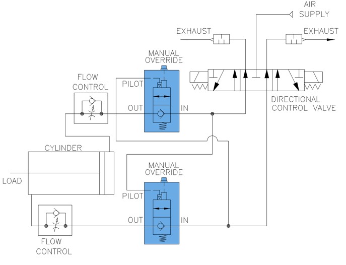
Aladco Nu-Check Two Checks Horizontal Circut Diagram By Tami Alfaro|September 30th, 2025|Comments Off on Aladco Nu-Check Two Checks Horizontal Circut Diagram Share This Story, Choose Your Platform! FacebookXRedditLinkedInTumblrPinterestVkEmail About the Author: Tami Alfaro