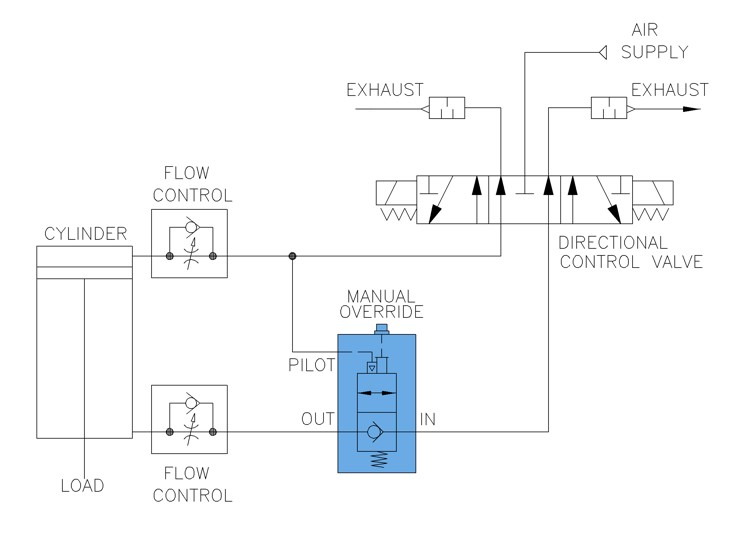
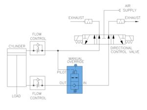
Aladco Nu-Check Single Vertical Cylnider Circut Diagram By Tami Alfaro|September 30th, 2025|Comments Off on Aladco Nu-Check Single Vertical Cylnider Circut Diagram Share This Story, Choose Your Platform! FacebookXRedditLinkedInTumblrPinterestVkEmail About the Author: Tami Alfaro