Skip to content


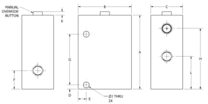
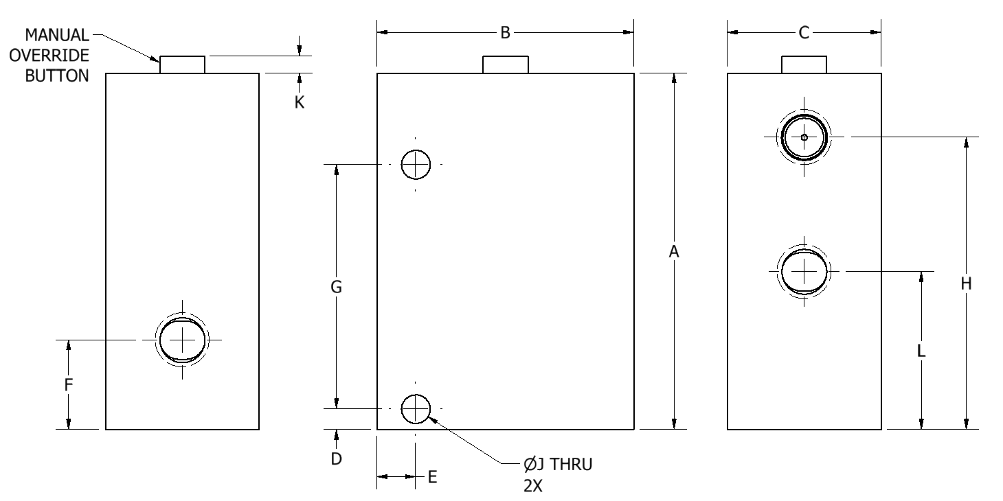
Aladco Equa-Check Dimension Diagram

Aladco, LLC Logo Aladco, LLC Logo Aladco, LLC Logo
  • Single Check Valves
    • Nu-Check®
    • Clean-Check®
    • Equa-Check®
  • Double Check Valves
  • Accu-LocatorTM
    • Legacy Check Valves
    • Legacy Clamps
  • Distributor Locator

Aladco Equa-Check Dimension Diagram

Previous

Aladco Equa-Check Dimension Diagram

By Tami Alfaro|September 30th, 2025|Comments Off on Aladco Equa-Check Dimension Diagram

Share This Story, Choose Your Platform!

FacebookXRedditLinkedInTumblrPinterestVkEmail

About the Author: Tami Alfaro

Tami Alfaro

FOUNDED IN 1986

Aladco® started in 1986 when our parent company, Aladdin Engineering and Manufacturing, Inc., saw a gap in the market for a versatile, reliable pilot operated pneumatic check valve with manual override capabilities. For almost four decades, our engineers have designed and patented top-of-the-line proprietary products like our Nu-Check®, Dual-Check®, Clean-Check®, and Equa-Check® pilot operated pneumatic check valves.

ABOUT ALADCO®  │  CONTACT ALADCO® │  FOLLOW US:   Aladco Facebook Page Aladco Linkedin Page
Small Business Enterprises • Woman-Owned: WBE and WOSB Certifications Pending

Copyright © Aladco, LLC. All Rights Reserved. | Made in the USA
This website uses cookies and third party services. Ok

Cutting edge manufacturer of pilot operated pneumatic check valves since 1986.
Aladco® pilot operated pneumatic check valves are sold both nationally and internationally through authorized distributors.
www.Aladco.com

Aladco® Headquarters: Waukesha, WI — USA | 262.544.5994 | AladcoInfo@AEM-Aladco.com