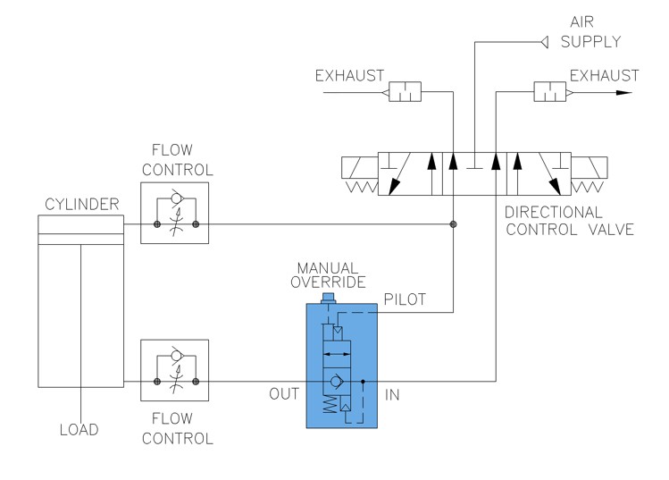
Aladco Clean-Check Single Vertical Cylinder Circut Diagram By Tami Alfaro|September 30th, 2025|Comments Off on Aladco Clean-Check Single Vertical Cylinder Circut Diagram Share This Story, Choose Your Platform! FacebookXRedditLinkedInTumblrPinterestVkEmail About the Author: Tami Alfaro